Toro 38185, CCR 2000 Snowthrower, 1995 (SN 59000015999999) Parts

Toro Ccr2000 Parts. Toro 38180, CCR 2000 Snowthrower, 1995 (SN 59000015999999) Parts 1-16 of 229 results for "toro ccr 2000 parts" Results Toro Snowblower CCR 2000 Marine, Power Sports & RVs

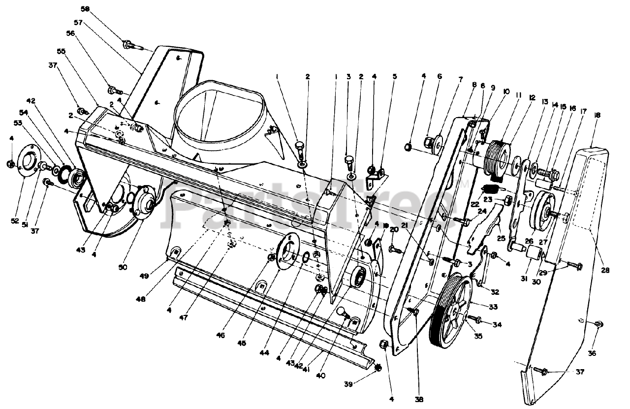
Toro 38185 C (CCR 2000) Toro Snow Thrower (SN 009000001 009999999
Toro 38185 C (CCR 2000) Toro Snow Thrower (SN 009000001 009999999 from www.partstree.com

Model # 38185 Serial # 5900001 - 5999999 Product Name CCR 2000 Snowthrower Product Brand Toro 38185, CCR 2000 Snowthrower, 1993 (SN 3900001-3999999) Exploded View parts lookup by model

Toro 38185 C (CCR 2000) Toro Snow Thrower (SN 009000001 009999999

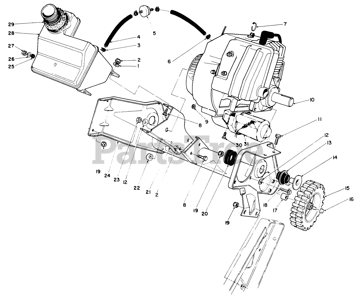
Model-Year for Toro Snowblower CCR 2000 1995 Toro Snowblower CCR 2000 Complete exploded views of all the major manufacturers This is an OEM replacement part and is sold individually.The purpose of this spark plug is to deliver an electric current from an ignition system to the combustion chamber of a gas fueled engine, igniting the air fuel mixture by the spark.Over time a Spark Plug will become fouled because the air/fuel ratio may be set wrong, worn piston rings, carbon build up, and other factors.It is best to.

buy 2 PCS Snow Thrower Blower Paddle 559251 for Toro CCR2000 CCR2450. Model # 38185 Serial # 5900001 - 5999999 Product Name CCR 2000 Snowthrower Product Brand If you have a Toro CCR 2000 series snowthrower models include 38180, 38181, 38185, 38186 model year 1996 the following is a list of common parts for those units.

Toro 38180, CCR 2000 Snowthrower, 1995 (SN 59000015999999) Parts. Amazon's Choice: Overall Pick Products highlighted as 'Overall Pick' are: Rated 4+ stars; Purchased often; Model # 38185 Serial # 8000001 - 8999999 Product Name CCR 2000 Snowthrower Product Brand